Korszerű életvédelem áram-védőkapcsolókkal
2012/6. lapszám | Zollai András | 8511 |
Figylem! Ez a cikk 14 éve frissült utoljára. A benne szereplő információk mára aktualitásukat veszíthették, valamint a tartalom helyenként hiányos lehet (képek, táblázatok stb.).
A villamos szakma fejődésének eredményképpen az elmúlt 100 évben életünk könnyebbé és komfortosabbá tételére mind lehetőségeink, mind igényeink nagymértékben bővültek. Az alapvető szükség viszont nem változott: a kényelmünket nyújtó villamos energia nemcsak szolgál minket, de felügyeletet is igényel! Ahogy az élet minden területén: az erőben ott a teremtő lehetőség – de ott a pusztítás esélye is.
A szolgálni, de ártani is képes erőt, a villamos energiát minden létesítményben – a legnagyobb ipari üzemektől a legkisebb lakásokig – speciális védelmi berendezések, az elosztószekrények felügyelik. A villamos elosztószekrények fontos üzemviteli feladatokat látnak el, mindenekelőtt mégis védelmi berendezések, amelyeket alkalmasan megválasztott készülékekből a villanyszerelő szakemberek integrálnak rendszerré.
A védelmi rendszer feladata a létesítményt használó személyek és a hálózaton munkát végző villanyszerelők életének és testi épségének megóvása, valamint a vagyontárgyak védelme, ezen belül az áramütés elleni védelem, az emberi élet védelme. E szakterület korszerű, ismert és immár elterjedten alkalmazott alapkészüléke az érintésvédelmi relé által működtetett áram-védőkapcsoló.
![]() |
Az áram-védőkapcsolók megjelenése
Az áramütés elleni védelem funkcióját a régebbi érintésvédelmi rendszerekben a védőföldelés látta el, amelynek lényege, hogy a megérinthető és a földdel összekötött felületeken az érintésre veszélyes feszültségek megjelenésekor a rendszerben mesterséges zárlat jött létre. Ez a zárlat elleni – alapvetően vagyonvédelmi funkciót ellátó – védelmi készüléket működtette (a módszert vagyonvédelmi célokra ma is használjuk).
A védőföldelés hatására kialakuló zárlati áramot azonban számos körülmény, meghibásodás korlátozhatja („hosz-szú zárlatok” kialakulása rövidzárlatok helyett), ráadásul az átfolyó áram értékét a balesetet szenvedett személy testének ellenállása is befolyásolja. A figyelembe vett „átlagos” értékeknél így ritkán ugyan, de előfordulhat jóval veszélyesebb áramütés kialakulása – a szabványos érintési feszültségek betartása ellenére. Mindezek miatt a védőföldeléses rendszer által nyújtott áramütés elleni biztonság korlátozott volt, a rendelkezésre álló védelmi készülékek (olvadóbiztosítók, majd kismegszakítók) azonban a biztonság fokozására nem adtak lehetőséget.
Az előrelépés lehetőségét a finom- és elektromechanika, azon belül is a relétechnika fejlődése hozta meg. Lehetségessé vált olyan érzékeny életvédelmi relék (hibaáram-figyelő relék) tervezése és gyártása, amelyek alkalmazásával a villamos hálózatok szigetélésének kezdeti romlása által kialakuló hibaáramok már kapcsolókészüléket működtethettek. Az így kialakított védelmi készüléket nevezzük áram-védőkapcsolónak (elterjedt, bár nem pontos, német eredetű nevén „FI-relének”).
Az áram-védőkapcsolók felépítése és működése
Az áram-védőkapcsoló egy összegző áramváltó, egy érintésvédelmi relé és egy kioldó szerkezettel ellátott terheléskapcsoló egybeépítésével jön létre. Az összegző áramváltó gyűrűs szerkezetű, speciális anyagból készült, rendkívül jó mágneses tulajdonságokkal rendelkező (µr= cca. 300 000) toroid vasmagból és a rajta elhelyezett tekercsből áll, amely egy- és háromfázisú hibaáramok észlelésére is alkalmas.
A vasmagon átvezetik mind a fázis-, mind a nullavezetőket, így áramaik vektoros összege normál üzem esetén minden pillanatban nulla, ameddig földzárlat nem keletkezik a rendszerben. A föld felé elfolyó áram a fázis- és nullavezetők áramának egyensúlyát felborítja: megjelenik a hibaáram, amely a tekercsben arányos nagyságú feszültséget indukál, és a relé működtető tekercsével lezárt áramkörben áramot indít.
Ez az indukált áram működteti a készülékbe épített érintésvédelmi relét, amely az egy- vagy háromfázisú terheléskapcsoló kioldószerkezetére hat. A hiba megjelenése után meghatározott, rövid időn belül (néhány periódus, a hibaáram nagyságának függvényében) a lekapcsolás megtörténik. A készüléknek ki kell elégítenie a terheléskapcsolókkal szemben állított követelményeket: alkalmasnak kell lennie az üzemi áram vezetésére, be- és kikapcsolására, valamint el kell viselnie a zárlatra való rákapcsolás igénybevételeit, és meghatározott ideig (a sorba kapcsolt zárlat elleni védelmi készülék működése alatt) nem szabad károsodnia a fellépő túláramtól.
![]() |
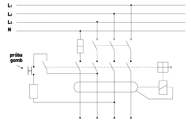
Az áram-védőkapcsoló „lelke” a rendkívül kis áramtartományokban is pontosan és megbízhatóan működő érintésvédelmi relé. Előállítása és kalibrálása csak laboratóriumi körülmények (sterilitás, előírt hőmérséklet és páratartalom) mellett történhet. A megoldandó feladat nagyságát érzékeltetheti, hogy az érintésvédelmi relé tekercsének működtető teljesítménye mindössze 10-30 µW! Az életvédelmet szolgáló áram-védőkapcsolók már 30 mA-nél kisebb hibaáram hatására meg kell szólaljanak: ezzel az áramütött személy életét már akkor is megvédhetik, ha a hibaáramot a rajta áramütés következtében közvetlenül átfolyó áram idézi elő. (Az emberi életre veszélyes áramütés mértéke rendkívül sok tényezőtől függ, és pontosan meg nem határozható, de a tapasztalatok szerint ebben az áramtartományban van.)
Szigorúbb, kedvezőtlenebb körülményekre (elsősorban vizes helyiségekben, fürdőkben, szaunákban bekövetkező áramütések elleni védelemre) gyárthatók olyan készülékek is, amelyeket már 10 mA alatti hibaáramok képesek működtetni. Normál körülmények között ez az érték a még érzékelhető, ám az emberi életre veszélytelen áramütések tartományában van! Minden áram-védőkapcsoló fontos szerkezeti eleme a készülék működőképes állapotának ellenőrzésére szolgáló próbaáramkör, amelyet az ún. „teszt” nyomógomb működtet. A gomb megnyomásával zárjuk az áramkörbe iktatott érintkezőt, ezzel a zárt áramkörön egy kalibrált ellenállás által meghatározott nagyságú áram indul, amely mesterséges hibaáramként átfolyik az áram-védőkapcsolón, és kioldja azt. Az áram-védőkapcsoló tesztgombbal való ellenőrzését minden gyártó meghatározott időszakonként előírja.
![]() |
Az áram-védőkapcsolók jellemzői
Az áram-védőkapcsolók legfontosabb jellemzőit a gyártók a készülék homlokoldalára nyomtatott szimbólumokkal jelzik. A jelölések jelentésének ismerete fontos segítség a megfelelő védelmi készülék kiválasztásában és a korábban beépített készülékek alkalmasságának megítélésében. Az általánosan alkalmazott jelölések és jellemzők a következők:
Csak váltakozó hibaáramot érzékelő, AC típusú készülékek
A „klasszikus” áram-védőkapcsolók hibaáram-érzékelése kizárólag a fent leírt indukciós alapokon nyugszik. Ezek a készülékek csak olyan helyeken használhatók, ahol a fogyasztók árama tiszta szinuszos jellegű! Az egyre terjedő elektronikus hajtásszabályozások ezt az áramformát eltorzítják: megjelenhet az egyenáramú összetevővel rendelkező ún. lüktető hibaáram, amelyet az indukciós elven működő áramváltók – így az áram-védőkapcsolóba épített hiba-áramváltó – nem képesek villamos működtető jellé alakítani!
Lüktető hibaáramot is érzékelő, A típusú készülékek
A lüktető hibaáram érzékelésére a „klasszikus”, AC típusú áram-védőkapcsolót a gyártók egy speciális elektronikus áramkörrel egészítik ki, amely az egyenáramú összetevő jelenlétét érzékeli, és nagyságával arányos működtető jelet ad az életvédelmi relére. Így az A típusú készülékek kioldása, működtetése univerzális. Olyan létesítmények áramütés elleni védelmére, ahol elektronikus hajtásszabályozással rendelkező fogyasztók üzemeltetése is előfordulhat, csak A típusú készüléket alkalmazzunk!
![]() |
A készülék független zárlati árama előtétvédelmi készülék alkalmazása esetén
Független zárlati áramnak azt az áramértéket tekintjük, amely a körben a zárlatvédelmi készülék rövidre zárása esetén kialakulna. A második téglalapban szereplő számérték ezt az áramot jelöli, amperben. Ez az áramérték a készüléken a valóságban soha nem folyhat át: a kialakuló zárlati áramot egy előtét olvadóbiztosító vagy kismegszakító korlátozza olyan értékre, amelyet az áram-védőkapcsoló felépítéséből adódóan képes elviselni.
Az áram-védőkapcsoló érintkezőinek működőképességük megtartása mellett el kell viselniük a zárlatra való rákapcsolás okozta igénybevételeket. Az előtétbiztosítók a kialakuló zárlati áram értékét ilyen esetben is korlátozzák, de rövid ideig a készüléken jelentős túláram jelenhet meg. Ugyancsak előfordulhatnak olyan zárlatok (földzárlatok), amelyek az áram-védőkapcsolót is működtetik. Ilyenkor az áram-védőkapcsoló érintkezőinek elválása még azelőtt bekövetkezhet, hogy az előtétbiztosító a zárlati áramot teljesen kioltotta volna, ezért a túláram kikapcsoláskor is nagy értékű lehet. A zárlati be- és kikapcsolással járó túláramok következményeit jobb eséllyel viselik el azok a készülékek, amelyek megfelelően méretezett ívoltó kamrával rendelkeznek. Ez a különböző gyártók áram-védőkapcsolóira nem jellemző általánosan!
A készülék működési tartományának alsó hőmérsékleti határa
Az áram-védőkapcsolók finommechanikai készülékek, a bekövetkező hőtágulás vagy -zsugorodás a működésüket erősen befolyásolja. A felső működési korlátot jellemző hőmérsékletek a gyakorlatban általában nem fordulnak elő, a hidegállóság mértékéről azonban ajánlatos meggyőződni!
![]() |
Szelektív működésű készülékek
Az áram-védőkapcsolók több védelmi lépcsőben is működhetnek: egy készülék által védett áramkörről újabb, áram-védőkapcsolóval is védett leágazások indulhatnak. Ilyenkor egy leágazás hibaárama a magasabb védelmi szint készülékeit is működteti, ha ezek nem rendelkeznek bizonyos működési késleltetéssel.
A szelektív (általában S típusjelzéssel rendelkező) készülékek „megvárják”, hogy az alsóbb szint védelmei lekapcsolják-e a hibás áramköri részt. Ha ez bekövetkezik, a magasabb szinten beépített védelmi készülék nem old ki, nem kapcsolja le fölöslegesen az ép hálózati részeket, ezt nevezzük szelektivitásnak.
A fenti legfontosabb jellemzőkön kívül a készülékek típusvizsgálati követelményeit rögzítő termékszabvány még számos olyan jellemzőt rögzít, amelyeket a gyártók a kapcsoló homloklapján vagy kísérő minőségi tanúsítványán nem szerepeltetnek, viszont a készülék funkciójának betöltéséhez elengedhetetlenek. (Pl. kioldást nem okozó maximális hibaáram értéke, túlfeszültség-impulzusok hatásának kiszűrése stb.).
A biztonságos működés garanciái
Az áram-védőkapcsolók biztonságos működését a következő körülmények együttes fennállása szavatolja:
![]() |
• Független vizsgáló laboratórium által végzett, jegyzőkönyvvel igazolt típusvizsgálatok megléte
A villamos szabványok a szakma tapasztalatait és fejlettségi szintjét tükröző előírások gyűjteményei. A termékszabványok a villamos készülékekkel szemben támasztott követelményeket és főként azok ellenőrzési eljárásait rögzítik. A termékszabványok alapján a vizsgálati laboratóriumok elvégzik a típusvizsgálatokat, és azokról mérési jegyzőkönyvet állítanak ki. Ragaszkodjunk a gyártótól független laboratóriumban elvégzett vizsgálatokat igazoló teljes jegyzőkönyv meglétéhez, az azt igazoló tanúsítványok rendelkezésre állásához!
• A gyártó elismerten magas technológiai és minőség- ellenőrzési színvonala
A különböző gyártók minőséget szavatoló rendszereiről különböző forrásokból nyerhetünk információkat. A gyártók az interneten gyakran maguk adnak közre minél több, a gyártási technológiájuk magas szintjét igazoló dokumentumot és képi anyagot. Erősítheti a gyártó iránti bizalmat, ha áram-védőkapcsolói egyedi gyártási számmal rendelkeznek. Ebben az esetben a készülékek gyártásközi és vég- minősítésének eredményei probléma esetén megtalálhatók, ami a gyártó magas színvonalú belső ellenőrzési rendszerére és szakmai önbizalmára utal.
![]() |
• A gyártó szándéka a biztonságos működés minél magasabb szintű szavatolására
Ez bármennyire magától értetődőnek tűnik, távolról sem az! A magasabb profit elérése érdekében némely gyártó igyekszik túlságosan, olykor minden határon túl csökkenteni a gyártási költségeket, amelynek eredménye a védelmi készülékekre nézve a biztonságos működéssel éppen ellentétes. A biztonság növelésére irányuló gyártói szándékról a magas szintű konstrukciós megoldások (pl. az említett ívoltó kamrák megléte), a készülékbe épített tartalékok (a szabványok követelményeinek túlteljesítése) és mindenekelőtt a partnerekkel fenntartott viszony milyensége tanúskodhatnak.
Az áram-védőkapcsolók csoportosítása
Az áram-védőkapcsolókat különböző szempontok alapján nagyobb csoportokra oszthatjuk. A legfontosabb csoportosítási szempontok alapján a következő csoportokat különböztethetjük meg:
Kioldásuk független-e a hálózati feszültségtől?
Egyes országok szabványai a hálózati feszültségtől függő típusok alkalmazását tiltják, mások – például Magyarország – engedélyezik. A hálózati feszültségtől független működésű készülékek a kioldáshoz szükséges energiát magából a hibaáramból nyerik, míg a feszültségtől függő készülékek kiegészítő energiát szolgáltató áramkört tartalmaznak. Utóbbi megoldás mind a készülék helyigényét, mind előállítási költségét és így végső soron az árát is csökkenti.
![]() |
A működtető hibaáram milyen jellegű?
Ezt a felosztást a készülékjellemzők között már említettük: kaphatók csak váltakozó áramú hibáramot érzékelő (AC) és lüktető egyenáramú hibajel hatására is működő (A) típusok.
Késleltetés nélkül vagy késleltetéssel működnek-e a készülékek?
Szintén a készülékjellemzők közt említettük a szelektivitás érdekében működési késleltetést tartalmazó (S típusú) készülékeket. Speciális védelmi célokra más késleltetett áram-védőkapcsolók is készülnek (pl. a háromnegyed periódusnyi késleltetést tartalmazó G típusú készülékek).
Egyszerű áram-védőkapcsolók és más elemekkel egybeépített, kombinált védelmi készülékek
A termékcsoport újabb fejlesztési irányát képviselik a kismegszakítókkal és feszültségérzékelésre alkalmas áramkörökkel egybeépített, kombinált áram-védőkapcsolók, amelyek elsősorban az alkalmazhatóság területét és a védelmek megbízhatóságát növelik, egyidejűleg csökkentve a helyigényt (kompakt konstrukciók) és a szerelési költségeket. A kombinált áram-védőkapcsolók bővülő szakterületét következő cikkeink egyikében ismertetjük.







